-
Главная
- ШТУЦЕР МЕТРИКА (60°) - MALE JIC 37°
ШТУЦЕР МЕТРИКА (60°) - MALE JIC 37°
Показать Сайдбар
Каталог
Трубопроводная арматура
- Трубные соединения (Адаптеры по DIN 2353/ISO8434-1)
- Штуцеры и адаптеры для РВД
- Зажимы для гидравлических труб
- Труба прецизионная
Системы смазки
Шланги и Рукава высокого давления
- Стандартные шланги высокого давления
- Специальные шланги высокого давления
- Термопластиковые рукава
- Тефлоновые рукава (PTFE)
Фитинги и муфты для РВД
Защита для РВД
- Гильза обжимная
- Пластиковая защита для РВД
- Металлическая защитная спираль для РВД
- Текстильная защита для РВД
- Огнеупорная защита для РВД
Элементы контроля и диагностики гидросистем
- Манометры
- Контрольные точки
- Микрошланги
- Муфты и фитинги для микрошлангов
- Адапторы для манометров
- Краны "anti-shock" для манометров
- Расходомеры гидравлические
- Указатели уровня масла и температуры
- Диагностические наборы
Уплотнения
- Кольца USIT
- Кольцо резиновое для ORFS
- Кольца круглого сечения ГОСТ 9833-73
- Наборы уплотнительных колец O-RING
Быстроразъемные соединения (БРС)
- БРС ISO 7241-1 A (ISO A)
- БРС ISO 7241-1 B (ISO B)
- Шариковые БРС специальных серий
- БРС FIRG/FLAT FACE ISO 16028
- БРС FLAT FACE различных серий
- БРС на высокое давление 700 bar (серия HPA)
- Резьбовые БРС различных серий
- Заглушки для БРС
Элементы гидросистем
- Краны и диверторы
- Клапана
- Плиты гидравлические
- Гидрораспределители
- Колокола и муфты
- Гидробаки
- Фильтры и фильтроэлементы
- Теплообменники
- Гидроаккумуляторы
- Насосы
Промышленные рукава
Промышленная арматура
Хомуты
Гидростанции и станции фильтрации и перекачки
Показать Сайдбар
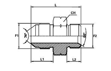
Штуцер DKM M12х1,5-JIC 7/16" Объекты каталога Основные параметры Поле title Штуцер DKM M12х1,5-JIC 7/16" Поле h1 Штуцер DKM M12х1,5-JIC 7/16" Ценовые свойства Цена 0 Склады Общее количество на складах 0 Основные характеристики Старая цена 0 Описание Проходное резьбовое соединение с наружной метрической резьбой и конусом 60 градусов с одной стороны и с дюймовой UNF наружной резьбой и конусом 37° с другой. оригинальная цена 0 Изображения Картинка /images/cms/data/import_files/df/shtucer_dkm_m12h1_5-jic_7_16.jpeg 1C: Специфические свойства Выгружать на сайт Производитель Максимальное рабочее давление (bar) NONAME Eaton Vitillo 1C: Общие свойства Идентификатор каталога 1С 2764e475-8623-417d-97c7-1e71d2339659 Идентификатор в 1С dfbba22c-0629-11f0-ae2f-00155d00c800
Штуцер DKM M12х1,5-JIC 7/16"
В наличии
Цена: По запросу
Штуцер DKM M12х1,5-JIC 1/2" Объекты каталога Основные параметры Поле title Штуцер DKM M12х1,5-JIC 1/2" Поле h1 Штуцер DKM M12х1,5-JIC 1/2" Ценовые свойства Цена 0 Склады Общее количество на складах 0 Основные характеристики Старая цена 0 Описание Проходное резьбовое соединение с наружной метрической резьбой и конусом 60 градусов с одной стороны и с дюймовой UNF наружной резьбой и конусом 37° с другой. оригинальная цена 0 Изображения Картинка /images/cms/data/import_files/4a/shtucer_dkm_m12h1_5-jic_1_2.jpeg 1C: Специфические свойства Выгружать на сайт Производитель Максимальное рабочее давление (bar) NONAME Vitillo 1C: Общие свойства Идентификатор каталога 1С 2764e475-8623-417d-97c7-1e71d2339659 Идентификатор в 1С 4a0824cd-062f-11f0-ae2f-00155d00c800
Штуцер DKM M12х1,5-JIC 1/2"
В наличии
Цена: По запросу
Штуцер DKM M14х1,5-JIC 1/2" Объекты каталога Основные параметры Поле title Штуцер DKM M14х1,5-JIC 1/2" Поле h1 Штуцер DKM M14х1,5-JIC 1/2" Ценовые свойства Цена 0 Склады Общее количество на складах 0 Основные характеристики Старая цена 0 Описание Проходное резьбовое соединение с наружной метрической резьбой и конусом 60 градусов с одной стороны и с дюймовой UNF наружной резьбой и конусом 37° с другой. оригинальная цена 0 Изображения Картинка /images/cms/data/import_files/93/shtucer_dkm_m14h1_5-jic_1_2.jpeg 1C: Специфические свойства Выгружать на сайт Производитель Максимальное рабочее давление (bar) NONAME Vitillo 1C: Общие свойства Идентификатор каталога 1С 2764e475-8623-417d-97c7-1e71d2339659 Идентификатор в 1С 939e6a0e-062f-11f0-ae2f-00155d00c800
Штуцер DKM M14х1,5-JIC 1/2"
В наличии
Цена: По запросу
Штуцер DKM M14х1,5-JIC 9/16" Объекты каталога Основные параметры Поле title Штуцер DKM M14х1,5-JIC 9/16" Поле h1 Штуцер DKM M14х1,5-JIC 9/16" Ценовые свойства Цена 0 Склады Общее количество на складах 0 Основные характеристики Старая цена 0 Описание Проходное резьбовое соединение с наружной метрической резьбой и конусом 60 градусов с одной стороны и с дюймовой UNF наружной резьбой и конусом 37° с другой. оригинальная цена 0 Изображения Картинка /images/cms/data/import_files/cf/shtucer_dkm_m14h1_5-jic_9_16.jpeg 1C: Специфические свойства Выгружать на сайт Производитель Максимальное рабочее давление (bar) NONAME Eaton Vitillo 1C: Общие свойства Идентификатор каталога 1С 2764e475-8623-417d-97c7-1e71d2339659 Идентификатор в 1С cf296442-0630-11f0-ae2f-00155d00c800
Штуцер DKM M14х1,5-JIC 9/16"
В наличии
Цена: По запросу
Штуцер DKM M14х1,5-JIC 3/4" Объекты каталога Основные параметры Поле title Штуцер DKM M14х1,5-JIC 3/4" Поле h1 Штуцер DKM M14х1,5-JIC 3/4" Ценовые свойства Цена 0 Склады Общее количество на складах 0 Основные характеристики Старая цена 0 Описание Проходное резьбовое соединение с наружной метрической резьбой и конусом 60 градусов с одной стороны и с дюймовой UNF наружной резьбой и конусом 37° с другой. оригинальная цена 0 Изображения Картинка /images/cms/data/import_files/ed/shtucer_dkm_m14h1_5-jic_3_4.jpeg 1C: Специфические свойства Выгружать на сайт Производитель Максимальное рабочее давление (bar) Vitillo 1C: Общие свойства Идентификатор каталога 1С 2764e475-8623-417d-97c7-1e71d2339659 Идентификатор в 1С ed8312c9-0631-11f0-ae2f-00155d00c800
Штуцер DKM M14х1,5-JIC 3/4"
В наличии
Цена: По запросу
Штуцер DKM M16х1,5-JIC 3/4" Объекты каталога Основные параметры Поле title Штуцер DKM M16х1,5-JIC 3/4" Поле h1 Штуцер DKM M16х1,5-JIC 3/4" Ценовые свойства Цена 0 Склады Общее количество на складах 0 Основные характеристики Старая цена 0 Описание Проходное резьбовое соединение с наружной метрической резьбой и конусом 60 градусов с одной стороны и с дюймовой UNF наружной резьбой и конусом 37° с другой. оригинальная цена 0 Изображения Картинка /images/cms/data/import_files/1f/shtucer_dkm_m16h1_5-jic_3_4.jpeg 1C: Специфические свойства Выгружать на сайт Производитель Максимальное рабочее давление (bar) NONAME Eaton Vitillo 1C: Общие свойства Идентификатор каталога 1С 2764e475-8623-417d-97c7-1e71d2339659 Идентификатор в 1С 1f7b5bd3-0637-11f0-ae2f-00155d00c800
Штуцер DKM M16х1,5-JIC 3/4"
В наличии
Цена: По запросу
Штуцер DKM M18х1,5-JIC 3/4" Объекты каталога Основные параметры Поле title Штуцер DKM M18х1,5-JIC 3/4" Поле h1 Штуцер DKM M18х1,5-JIC 3/4" Ценовые свойства Цена 0 Склады Общее количество на складах 0 Основные характеристики Старая цена 0 Описание Проходное резьбовое соединение с наружной метрической резьбой и конусом 60 градусов с одной стороны и с дюймовой UNF наружной резьбой и конусом 37° с другой. оригинальная цена 0 Изображения Картинка /images/cms/data/import_files/69/shtucer_dkm_m18h1_5-jic_3_4.jpeg 1C: Специфические свойства Выгружать на сайт Производитель Максимальное рабочее давление (bar) NONAME Eaton Vitillo 1C: Общие свойства Идентификатор каталога 1С 2764e475-8623-417d-97c7-1e71d2339659 Идентификатор в 1С 69cf0d7d-0637-11f0-ae2f-00155d00c800
Штуцер DKM M18х1,5-JIC 3/4"
В наличии
Цена: По запросу
Штуцер DKM M18х1,5-JIC 7/8" Объекты каталога Основные параметры Поле title Штуцер DKM M18х1,5-JIC 7/8" Поле h1 Штуцер DKM M18х1,5-JIC 7/8" Ценовые свойства Цена 0 Склады Общее количество на складах 0 Основные характеристики Старая цена 0 Описание Проходное резьбовое соединение с наружной метрической резьбой и конусом 60 градусов с одной стороны и с дюймовой UNF наружной резьбой и конусом 37° с другой. оригинальная цена 0 Изображения Картинка /images/cms/data/import_files/68/shtucer_dkm_m18h1_5-jic_7_8.jpeg 1C: Специфические свойства Выгружать на сайт Производитель Максимальное рабочее давление (bar) Vitillo 1C: Общие свойства Идентификатор каталога 1С 2764e475-8623-417d-97c7-1e71d2339659 Идентификатор в 1С 684ae78e-0639-11f0-ae2f-00155d00c800
Штуцер DKM M18х1,5-JIC 7/8"
В наличии
Цена: По запросу
Штуцер DKM M20х1,5-JIC 7/8" Объекты каталога Основные параметры Поле title Штуцер DKM M20х1,5-JIC 7/8" Поле h1 Штуцер DKM M20х1,5-JIC 7/8" Ценовые свойства Цена 0 Склады Общее количество на складах 0 Основные характеристики Старая цена 0 Описание Проходное резьбовое соединение с наружной метрической резьбой и конусом 60 градусов с одной стороны и с дюймовой UNF наружной резьбой и конусом 37° с другой. оригинальная цена 0 Изображения Картинка /images/cms/data/import_files/a9/shtucer_dkm_m20h1_5-jic_7_8.jpeg 1C: Специфические свойства Выгружать на сайт Производитель Максимальное рабочее давление (bar) NONAME Vitillo 1C: Общие свойства Идентификатор каталога 1С 2764e475-8623-417d-97c7-1e71d2339659 Идентификатор в 1С a92fde42-0639-11f0-ae2f-00155d00c800
Штуцер DKM M20х1,5-JIC 7/8"
В наличии
Цена: По запросу
Штуцер DKM M22х1,5-JIC 7/8" Объекты каталога Основные параметры Поле title Штуцер DKM M22х1,5-JIC 7/8" Поле h1 Штуцер DKM M22х1,5-JIC 7/8" Ценовые свойства Цена 0 Склады Общее количество на складах 0 Основные характеристики Старая цена 0 Описание Проходное резьбовое соединение с наружной метрической резьбой и конусом 60 градусов с одной стороны и с дюймовой UNF наружной резьбой и конусом 37° с другой. оригинальная цена 0 Изображения Картинка /images/cms/data/import_files/0d/shtucer_dkm_m22h1_5-jic_7_8.jpeg 1C: Специфические свойства Выгружать на сайт Производитель Максимальное рабочее давление (bar) NONAME Vitillo 1C: Общие свойства Идентификатор каталога 1С 2764e475-8623-417d-97c7-1e71d2339659 Идентификатор в 1С 0d69180c-064c-11f0-ae2f-00155d00c800
Штуцер DKM M22х1,5-JIC 7/8"
В наличии
Цена: По запросу
Штуцер DKM M22х1,5-JIC 1.1/16" Объекты каталога Основные параметры Поле title Штуцер DKM M22х1,5-JIC 1.1/16" Поле h1 Штуцер DKM M22х1,5-JIC 1.1/16" Ценовые свойства Цена 0 Склады Общее количество на складах 0 Основные характеристики Старая цена 0 Описание Проходное резьбовое соединение с наружной метрической резьбой и конусом 60 градусов с одной стороны и с дюймовой UNF наружной резьбой и конусом 37° с другой. оригинальная цена 0 Изображения Картинка /images/cms/data/import_files/77/shtucer_dkm_m22h1_5-jic_1_1_16.jpeg 1C: Специфические свойства Выгружать на сайт Производитель Максимальное рабочее давление (bar) NONAME Vitillo 1C: Общие свойства Идентификатор каталога 1С 2764e475-8623-417d-97c7-1e71d2339659 Идентификатор в 1С 776f7444-064c-11f0-ae2f-00155d00c800
Штуцер DKM M22х1,5-JIC 1.1/16"
В наличии
Цена: По запросу
Штуцер DKM M27х2-JIC 1.1/16" Объекты каталога Основные параметры Поле title Штуцер DKM M27х2-JIC 1.1/16" Поле h1 Штуцер DKM M27х2-JIC 1.1/16" Ценовые свойства Цена 0 Склады Общее количество на складах 0 Основные характеристики Старая цена 0 Описание Проходное резьбовое соединение с наружной метрической резьбой и конусом 60 градусов с одной стороны и с дюймовой UNF наружной резьбой и конусом 37° с другой. оригинальная цена 0 Изображения Картинка /images/cms/data/import_files/a2/shtucer_dkm_m27h2-jic_1_1_16.jpeg 1C: Специфические свойства Выгружать на сайт Производитель Максимальное рабочее давление (bar) Vitillo 1C: Общие свойства Идентификатор каталога 1С 2764e475-8623-417d-97c7-1e71d2339659 Идентификатор в 1С a21f7b5a-064c-11f0-ae2f-00155d00c800
Штуцер DKM M27х2-JIC 1.1/16"
В наличии
Цена: По запросу
Штуцер DKM M27х2-JIC 1.5/16" Объекты каталога Основные параметры Поле title Штуцер DKM M27х2-JIC 1.5/16" Поле h1 Штуцер DKM M27х2-JIC 1.5/16" Ценовые свойства Цена 0 Склады Общее количество на складах 0 Основные характеристики Старая цена 0 Описание Проходное резьбовое соединение с наружной метрической резьбой и конусом 60 градусов с одной стороны и с дюймовой UNF наружной резьбой и конусом 37° с другой. оригинальная цена 0 Изображения Картинка /images/cms/data/import_files/d2/shtucer_dkm_m27h2-jic_1_5_16.jpeg 1C: Специфические свойства Выгружать на сайт Производитель Максимальное рабочее давление (bar) Vitillo 1C: Общие свойства Идентификатор каталога 1С 2764e475-8623-417d-97c7-1e71d2339659 Идентификатор в 1С d2eae735-064c-11f0-ae2f-00155d00c800
Штуцер DKM M27х2-JIC 1.5/16"
В наличии
Цена: По запросу
Штуцер DKM M33х2-JIC 1.5/16" Объекты каталога Основные параметры Поле title Штуцер DKM M33х2-JIC 1.5/16" Поле h1 Штуцер DKM M33х2-JIC 1.5/16" Ценовые свойства Цена 0 Склады Общее количество на складах 0 Основные характеристики Старая цена 0 Описание Проходное резьбовое соединение с наружной метрической резьбой и конусом 60 градусов с одной стороны и с дюймовой UNF наружной резьбой и конусом 37° с другой. оригинальная цена 0 Изображения Картинка /images/cms/data/import_files/ff/shtucer_dkm_m33h2-jic_1_5_16.jpeg 1C: Специфические свойства Выгружать на сайт Производитель Максимальное рабочее давление (bar) Vitillo 1C: Общие свойства Идентификатор каталога 1С 2764e475-8623-417d-97c7-1e71d2339659 Идентификатор в 1С ff5a07db-064c-11f0-ae2f-00155d00c800
Штуцер DKM M33х2-JIC 1.5/16"
В наличии
Цена: По запросу
Штуцер DKM M42х2-JIC 1.5/8" Объекты каталога Основные параметры Поле title Штуцер DKM M42х2-JIC 1.5/8" Поле h1 Штуцер DKM M42х2-JIC 1.5/8" Ценовые свойства Цена 0 Склады Общее количество на складах 0 Основные характеристики Старая цена 0 Описание Проходное резьбовое соединение с наружной метрической резьбой и конусом 60 градусов с одной стороны и с дюймовой UNF наружной резьбой и конусом 37° с другой. оригинальная цена 0 Изображения Картинка /images/cms/data/import_files/1f/shtucer_dkm_m42h2-jic_1_5_8.jpeg 1C: Специфические свойства Выгружать на сайт Производитель Максимальное рабочее давление (bar) Vitillo 1C: Общие свойства Идентификатор каталога 1С 2764e475-8623-417d-97c7-1e71d2339659 Идентификатор в 1С 1fc4ad6b-064d-11f0-ae2f-00155d00c800
Штуцер DKM M42х2-JIC 1.5/8"
В наличии
Цена: По запросу
Штуцер DKM M48х2-JIC 1.7/8" Объекты каталога Основные параметры Поле title Штуцер DKM M48х2-JIC 1.7/8" Поле h1 Штуцер DKM M48х2-JIC 1.7/8" Ценовые свойства Цена 0 Склады Общее количество на складах 0 Основные характеристики Старая цена 0 Описание Проходное резьбовое соединение с наружной метрической резьбой и конусом 60 градусов с одной стороны и с дюймовой UNF наружной резьбой и конусом 37° с другой. оригинальная цена 0 Изображения Картинка /images/cms/data/import_files/41/shtucer_dkm_m48h2-jic_1_7_8.jpeg 1C: Специфические свойства Выгружать на сайт Производитель Максимальное рабочее давление (bar) Vitillo 1C: Общие свойства Идентификатор каталога 1С 2764e475-8623-417d-97c7-1e71d2339659 Идентификатор в 1С 412494ed-064d-11f0-ae2f-00155d00c800
Штуцер DKM M48х2-JIC 1.7/8"
В наличии
Цена: По запросу
Приносим свои извинения, если:
описание, габариты, комплект поставки, технические характеристики, страна производства, коды производителей, внешний вид в описании и цвет товара оказались неточными. Просим Вас требовать у продавца предоставление дополнительной технической документации или проверки в Вашем присутствии или удаленно комплектации, а также наличие и работоспособность как интересующих Вас в товаре функций, так и товара в целом, до его оплаты.